

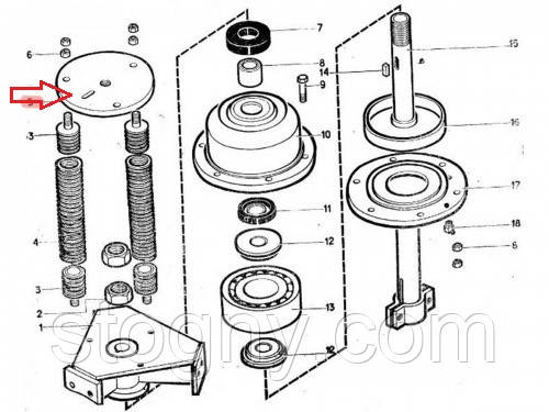
Диск 02.228
Для повноцінної роботи віброцентробіжного зернового обладнання застосовують диск очисника. Для сепаратора він є важливим розхідним елементом.
На сайті інтернет-магазину можна замовити диск очисника для сепаратора напряму від виробника. Це дає можливість отримати оригінальну запчастину за невеликі гроші. Маючи власні потужності вдається контролювати кожен етап виготовлення деталей для сільськогосподарського обладнання, тому в якості очисника можна не сумніватися. Деталь відповідає міжнародним вимогам, тому буде відмінно виконувати свою функцію тривалий час, сприяючи повноцінному виконанню ряду завдань.
Диск очисника для сепаратора: важлива деталь для обладнання
Виготовляється диск очисника для сепаратора на сучасному обладнанні з сертифікованої сировини, тому він буде відмінно виконувати свою функцію незалежно від інтенсивності експлуатації. Таким чином можна забезпечити безперебійну роботу обладнання.
З його допомогою забезпечується стабільний процес очищення сировини. Таким чином знижується ризик простою обладнання, що небажано під час збору урожаю. Замовивши деталь оптом можна мати про запас елемент до віброцентробіжного сепаратора БЦС, що важливо під час робіт на сільськогосподарських об'єктах.
Якісний диск очисника для сепаратора недорого
Замовляючи диски очисника для сепаратора можна бути впевненим в точних його розмірах та експлуатаційних характеристиках. Він стане відмінним аналогом вийшовшої з ладу деталі. Завдяки точним габаритам, диск буде виконувати свою задачу коректно.
Враховуючи той факт, що запчастини на сайті реалізуються від виробника, будь-якому підприємцю буде вигідно замовити продукцію без націнок.
Звернувшись на сайт можна оцінити всі переваги співпраці з компанією та зробити вигідним капіталовкладення. Замовляйте якісну продукцію на сайті!

Маса: 1,900 кг
| Основні атрибути | |
|---|---|
| Виробник | Власне виробництво |
| Країна виробник | Україна |
| Основні | |
| Гарантійний термін | 12 |
- Ціна: 600 ₴
- В наявності
- Код: 2-44
600 ₴
- +380 (67) 409-90-13техническая консультация Алексей
- Понеділок10:0015:0012:0012:30
- Вівторок10:0015:0012:0012:30
- Середа10:0015:0012:0012:30
- Четвер10:0015:0012:0012:30
- Пʼятниця10:0015:0012:0012:30
- СуботаВихідний
- НеділяВихідний

